PVMC-ARA【パワーバンド取付対応露出用取付自在フタボックス壁面取付直角サポート金具】【未来工業】 【防犯カメラ】
2,017円(税込)
0ポイント(1%)
商品説明
■PVMC-ARA 高耐候性ボックス対応直角サポート金具【監視カメラ】【防犯カメラ】

PVMC-ARAは、取付用自在フタを採用したパワーバンド取付対応
露出用丸形・四角ボックス向け壁面取付直角サポート金具です。
丸形・四角ボックス共にそのままでも天井と壁面設置に対応はしておりますが、本製品を使用せずにそのまま壁面に設置した場合は、垂直に設置する事ができないため、雨対策やカメラアングル的に天井設置時に比べると自由度が狭いという問題ありました。
そこで、本製品を組み合わせて使用することで、天井設置時と同じようにボックスを垂直に設置させることが可能になりますので、屋外設置対応SDカード録画式バレットカメラ[ASW-SD720AHD]、マイク内蔵ドーム型SDカード録画式カメラ[ASD-SD720AHD]等と組み合わせて使用すればケーブル接続部の保護もできる上、景観的にもキレイに収まるためオススメな製品です。
本製品は、Uボルトを使用することで視柱・ポールにも取付が可能です。
76.3Φ視柱上部用Uボルト PVMC-ARAUB
89.1Φ視柱下部用Uボルト MN-UB1D等を始めとした
サイズ5.5mmサイズのUボルト各種を組み合わせ可能です。
■PVMC-ARA 使用・取付イメージ


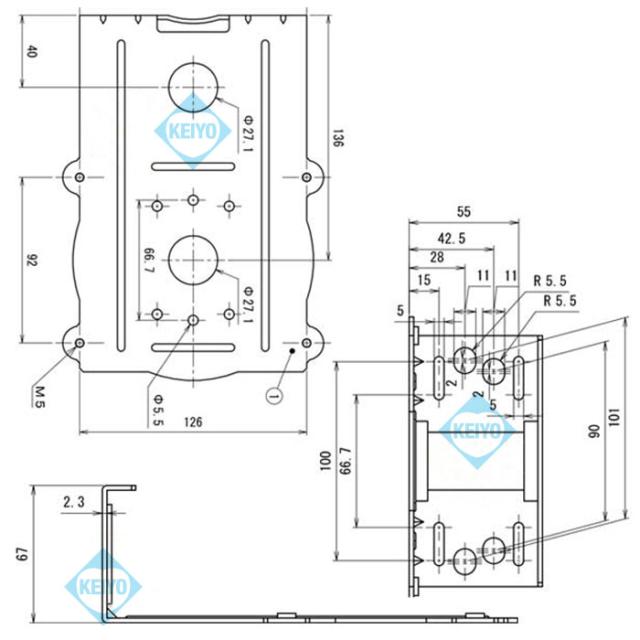
■PVMC-ARA 外形寸法図

■PVMC-ARA スペック

※仕様は予告なしに変更する場合があります。ご了承ください。
■PVMC-ARA 商品構成
1.PVMC-ARA本体2.小ねじ×4(M5×15)
3.説明書
※付属品は予告なく内容が変わる場合があります。
■PVMC-ARA ご注意事項
・仕様及びデザインは予告なく変更される場合がございます。予めご了承ください。高耐候性ボックス対応直角サポート金具
PVMC-ARA
PVMC-ARA
取付金具
PVMC-ARA 高耐候性ボックス対応直角サポート金具 【監視カメラ】【防犯カメラ】
レビュー
商品の評価:



-点(0件)
お店の情報
誠に勝手ではございますが、以下の期間をGW休業とさせていただきます。 2026年5月3日(日) - 2026年5月6日(水)
お店の評価:



-点(0件)
連絡・応対
-
配送スピード
-
梱包
-








