SUGATSUNE スガツネ工業 スーパーリムロック 面付 シリンダー 錠 8810型 用 キー番号変更システム付 本体 150-022-338 8810-24MK-B | DIY LAMP ランプ 金物 金具 建具 部品 ツール 鍵 錠 セキュリティ部品 シリンダー錠 南京錠 ドア 扉 店舗 キー番号変更 片開き扉
Pontaパス特典
サンキュー配送
13,200円(税込)
0ポイント(1%)
商品説明
![]() ![]() ![]() ![]() ![]() ![]() ![]() ![]() |
| ※image photo |
|
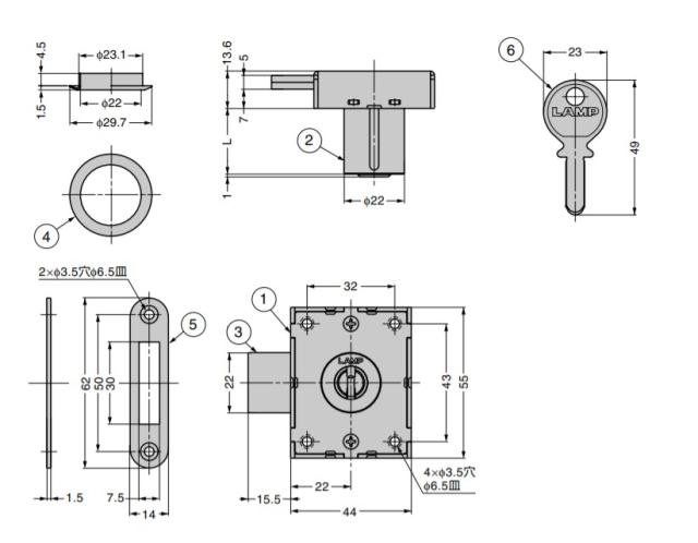
スーパーリムロック 面付 シリンダー 錠 8810型 用 キー番号変更システム付 本体 【説明】用途:取付面:鍵違い数:マスターキー:解錠時:対応タートルロック 片開き扉※1:木:最大300万通り:-※2:キーは抜ける※3:ス-パ-リムロックシリーズ ※1受注対応で引き出しも製作可能 ※2受注対応で最大300通り/1マスター ※3受注対応でキーが抜けないタイプも製作可能 簡単な操作で、キー番号の変更が可能で、シリンダーを変更する必要がなく、コストパフォーマンスに優れています(コンストラクションキーシステム)。 ステンレス鋼製でデッドボルトが長くて厚いため、堅牢でしっかりロックできます。 ディンプルキー仕様です。キーは抜き差し方向のないリバーシブルタイプです。 施錠時、解錠時共に抜き差しできます。 別番/同番:別番 マスターキー機能:付き シリンダー径:22 キー抜き差し:2ヶ所 キー回転角度:360度 製品内容は、部品としての品質範囲です。この部品を使用した最終製品の機能・性能・安全を保証するものではありません。 受注対応でキー番号を変更しない仕様も製作可能です。鍵違い数は1マスターキーにつき最大3,000通りです。 【注 意】 錠前の取り扱い上のご注意をご確認ください。 キーの紛失などが発生した場合、新しいキーで操作することにより、以前使用していたキーが使用できなくなります。 キー番号の変更回数は、2回までです。 キー番号変更後は以前使用していたキー番号には戻せません。 【付属品】 十字穴付皿木ねじ3.1×25(本体用) 十字穴付皿木ねじ3.1×13(受座用) キー(3本) リング 受座 高級品を扱う店舗におすすめ 鍵違い数(通り)300万 スム-ズなキーの操作感、しっかりロックできる重厚なデッドボルト付のため、高級なブティックに最適です。 シリンダーを交換せずにキー番号変更可能※2回まで 新しいキーで操作するだけなので、誰でも簡単に変更できます。キーの紛失・使用者変更に伴い鍵を交換したい時に、鍵屋さんを呼ばずに変更できます。 新しいキーで操作するだけ 高級ブランド店での使用例 (1)施工時 施工時は初回キー(付属品)を使用します。 (2)テナント入居時 工事終了後、店舗Aのスタッフは1回目変更キー(受注対応品)を使用します。 この時点で初回キーは使えなくなります。 (3)テナント入替時 店舗A→Bに変わった時、店舗Bのスタッフは2回目変更キー(受注対応品)を使用します。 この時点で初回キーと1回目変更キーは使えなくなります。 以降は変更できません その他、役員室で人事異動のため鍵交換したい場合にもおすすめです。 マスターキー機能付で運用した場合 マスターキーも初回、1回目変更用、2回目変更用の3種類があります。受注対応品のため、弊社営業担当者までお問い合わせください。 キー番号を変更したシリンダーは、マスターキーも1回目変更用、2回目変更用への変更が必要です。 変更後のマスターキーで操作したシリンダーは、キー番号が変更されます。 マスターキー機能付仕様を複数個使用していて、その一部のみキー番号を変更した場合、キー番号変更前と変更後のマスターキーを複数所持して管理してください。 複数のキャビネットを同じキーで施解錠できます ス-パ-リムロックシリーズの中で同じキー番号をご指定いただくと、図のように同じキーで複数のキャビネットを施解錠できます。 ■本品で対応できる扉 【木製片開き扉】 ■同じス-パ-リムロックシリーズの錠前で対応できる扉 【ガラス片開き扉】 【材料】(1)本体:ステンレス鋼(SUS304) (2)シリンダー外筒:黄鋼 (3)デッドボルト:ステンレス鋼(SUS304) (4)リング:黄鋼 (5)受座:ステンレス鋼(SUS304) (6)キー:洋白 【仕上】(1)本体:ヘアライン仕上 (2)シリンダー外筒:ダルニッケルめっき (3)デッドボルト:- (4)リング:サチライトニッケルめっき (5)受座:ヘアライン仕上 (6)キー:バレル研磨 【サイズ】適応板厚:L 22〜 24:24 【重量】190g 【注文コード】150-022-338 【品番】8810-24MK-B 別番/同番:別番 マスターキー機能:付き シリンダー径:22 キー抜き差し:2ヶ所 キー回転角度:360度 製品内容は、部品としての品質範囲です。この部品を使用した最終製品の機能・性能・安全を保証するものではありません。 ※画像はイメージです。 ※パッケージ、仕様、品番などの変更が予告なく変更される場合が御座います。 カテゴリー |
スーパーリムロック 面付 シリンダー 錠 8810型 用 キー番号変更システム付 本体
付属品:
十字穴付皿木ねじ3.1×25(本体用)
十字穴付皿木ねじ3.1×13(受座用)
キー(3本)
リング
受座
(サイズ)適応板厚:L
22〜 24:24
重量:190g
注文コード:150-022-338
品番:8810-24MK-B
別番/同番:別番
マスターキー機能:付き
シリンダー径:22
キー抜き差し:2ヶ所
キー回転角度:360度
製品内容は、部品としての品質範囲です。この部品を使用した最終製品の機能・性能・安全を保証するものではありません。
※画像はイメージです。
※パッケージ、仕様、品番などの変更が予告なく変更される場合が御座います。
カテゴリー LAMP ランプ DIY 金具 部品 ツール 金物 建具
付属品:
十字穴付皿木ねじ3.1×25(本体用)
十字穴付皿木ねじ3.1×13(受座用)
キー(3本)
リング
受座
(サイズ)適応板厚:L
22〜 24:24
重量:190g
注文コード:150-022-338
品番:8810-24MK-B
別番/同番:別番
マスターキー機能:付き
シリンダー径:22
キー抜き差し:2ヶ所
キー回転角度:360度
製品内容は、部品としての品質範囲です。この部品を使用した最終製品の機能・性能・安全を保証するものではありません。
※画像はイメージです。
※パッケージ、仕様、品番などの変更が予告なく変更される場合が御座います。
カテゴリー LAMP ランプ DIY 金具 部品 ツール 金物 建具
レビュー
商品の評価:



-点(0件)
お店の情報
お店の評価:



-点(0件)
連絡・応対
-
配送スピード
-
梱包
-
















